- JOSEF约瑟HJY-92A/8过电压继电器 10~242V 稳定性好
详细信息
品牌:JOSEF约瑟 型号:HJY-92A/8 应用领域:航空航天 产品系列:HJY系列 触点负载:40 触点切换电流:220 是否专供外贸:否 一、基本信息
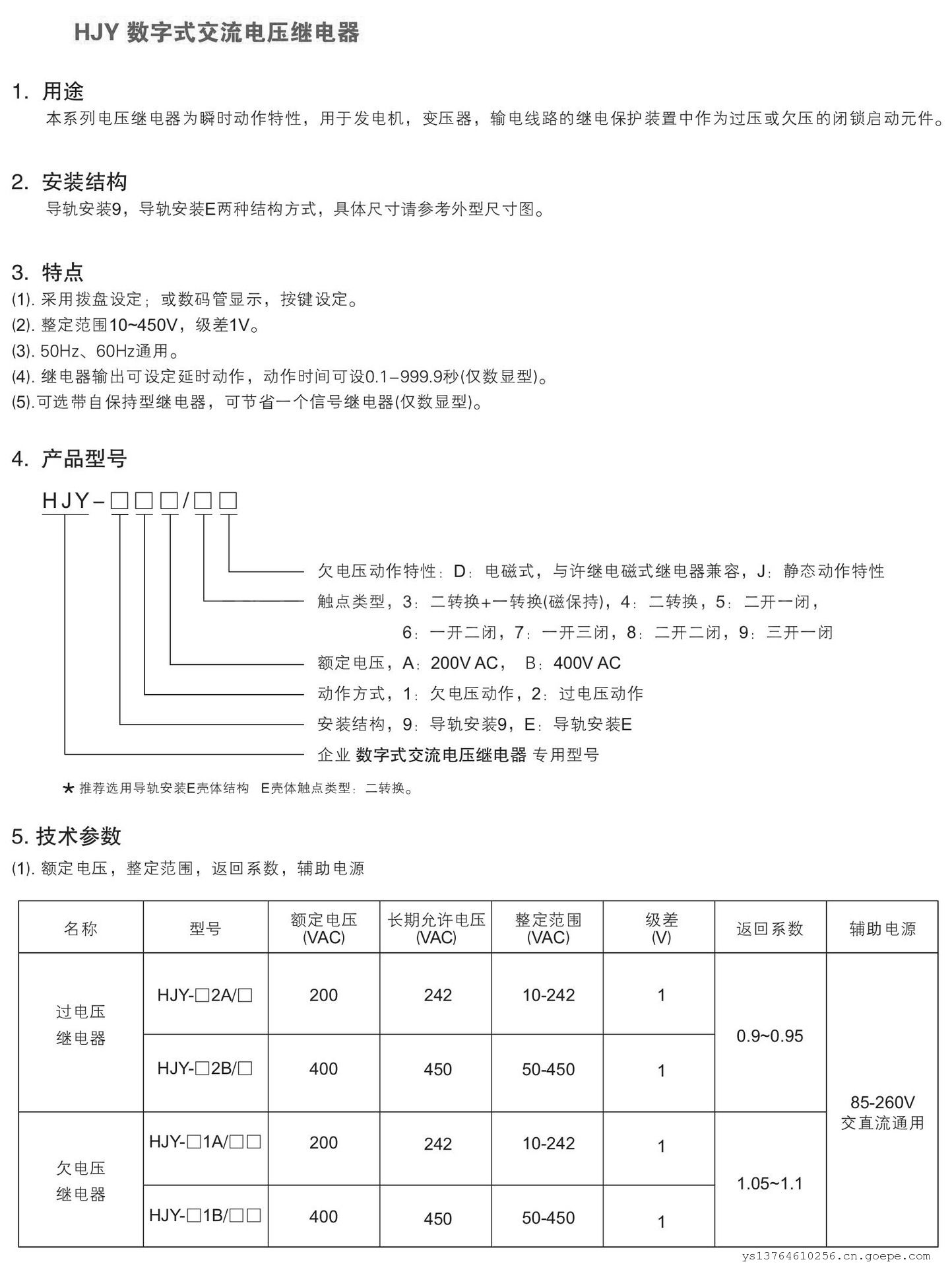
产品名称:HJY-92A/8 数字式交流电压继电器
品牌:JOSEF约瑟
电压整定范围:10450V
额定电压:可能包括220V、200VAC/DC等
额定电流:2A 或 5A
二、产品特性
-
瞬时动作特性:HJY系列数字式交流电压继电器具有瞬时动作特性,适用于发电机、变压器、输电线路的继电保护装置中,作为过压或欠压的闭锁启动元件。
-
智能运算与抗干扰:该继电器具备智能运算能力,并能有效抵抗电磁干扰,提高工作稳定性和可靠性。
-
导轨安装:提供导轨安装9和导轨安装E两种结构方式,便于用户根据实际需求进行安装。
-
广泛的工作频率:支持50Hz和60Hz的工作频率,适用于不同国家和地区的电力系统。
-
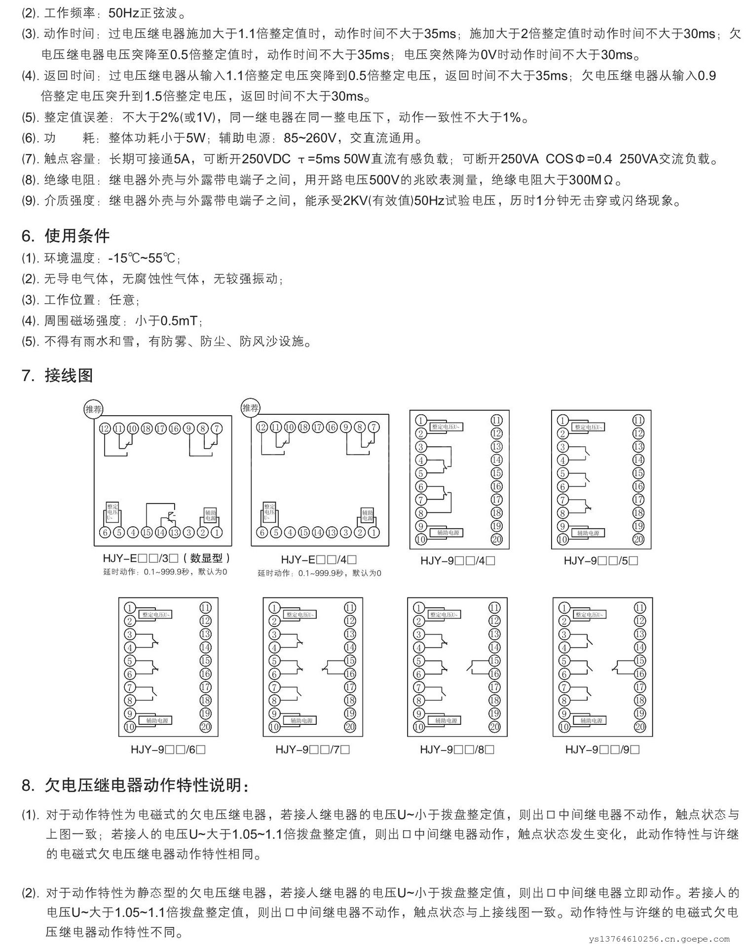
精确的动作与返回时间:过电压继电器在施加大于1.1倍整定值时,动作时间不大于35ms;欠电压继电器在电压突降至0.5倍整定值时,动作时间同样不大于35ms。返回时间也控制在较短范围内,确保快速响应和恢复。
-
低功耗与辅助电源:整体功耗小于5W,辅助电源支持85~260V交直流通用,方便用户接入各种电源系统。
-
高触点容量:触点容量大,可长期接通5A电流,并具备断开高电压负载的能力。
-
高绝缘电阻与介质强度:继电器外壳与外露带电端子之间绝缘电阻大于300MΩ,能承受2KV(有效值)50Hz试验电压,历时1分钟无击穿或闪络现象。
三、应用领域
HJY-92A/8 数字式交流电压继电器广泛应用于电力系统中,特别是需要过电压和欠电压保护的场合,如发电机、变压器、输电线路等设备的保护与控制。
电压继电器 HJY-E1A/4D DC220V
电压继电器 HJY-91A/8D AC220V
电压继电器 HJY-1A18D 10-242V DC220V 2副转换触点
电压继电器 HJY-91A/8J 整定范围:10-242VAC 辅助电源:220VDC
电压继电器 HJY-E1A/4D 整定范围:10-242V 辅助电源:AC/DC85~260V
电压继电器 HJY-E2A/4J 整定范围:10-242V 辅助电源:AC/DC85-260V
过电压继电器 HJY-92A/8J 整定范围:10~242VAC 辅助电源:110VDC
电压继电器 HJY-91A/5D
电压继电器 HJY-92A/5
电压继电器 HJY-E1A/8D 10~242V DC110V
电压继电器 HJY-E2A/8D 10~242V DC110V
电压继电器 HJY-1A/8D
过电压继电器 HJY-92A/8 10~242V
过电压继电器 HJY-92A8 电压范围:40-160V 2开2闭
电压继电器 HJY-E1A/4 整定范围10-242V 辅助电源85-260V AC/DC
电压继电器 HJY-92A/6 DC110V
电压继电器 HJY-F931B/YJ 辅助电源DC110V 凸出式导轨安装
电压继电器 HJY-F931A/YJ 辅助电源DC220V
三相欠压继电器 HJY-931AJ 110VAC
电压继电器 HJY-931B/YJ 工作电源:AC/DC220V
电压继电器 HJY-F931AYJ
三相电压继电器 HJY-931A/D






-
-
供应商的其他相关信息
查看更多
扫一扫,手机浏览

















