- JOSEF约瑟WY-35A4T电压继电器 DC220V 用于城建交通
详细信息
品牌:JOSEF约瑟 型号:WY-35A4T 应用领域:城建交通 产品系列:WY 触点负载:40W 一功能简述
WY系列电压继电器是带延时功能的数字式交流电压继电器。
可用于发电机,变压器和输电线的继电保护装置中,作为过电压或欠电压闭锁的动作元件
LCD实时显示当前输入电压值
额定输入电压Un:100VAC、200VAC、400VAC产品满足电磁兼容四级标准
产品外形尺寸:EMG32:96mm(L)X90mm(W)X65.3mm(H)
外壳采用新升级结构,适用于DIN导轨安装
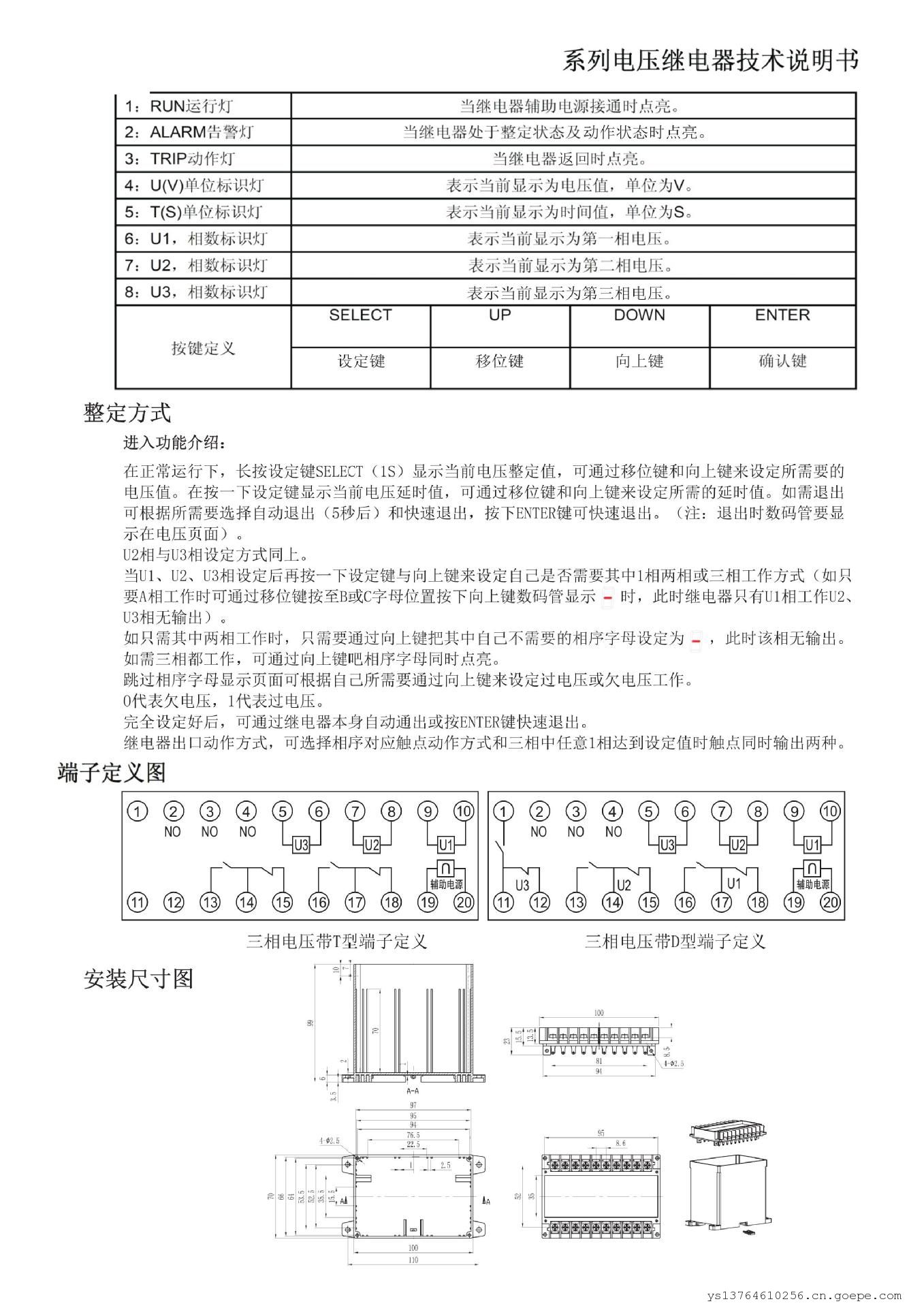
二技术参数及端子定义图
产品型号:WY-30系列---
辅助电源:DC 88~370V,AC 85~265V
额定输入电压Un:100VAC,200VAC,400VAC
额定频率:50Hz
电压整定范围:(0.1~1.0)Un
电压精度:±3%
功率消耗:≤5W
返回系数:过量动作:0.9 欠量动作:1.1(可定制)
延时整定范围:0ms~9999ms
动作延时平均误差:±(1%整定值+60ms)
接点容量:6A@250VAC/30VDC
工作环境:-40℃~+70℃,5%~95%RH无凝露
存储环境:-40℃~+85℃,5%~95%RH无凝露
螺钉类型/拧紧力矩:M3/0.5~0.6Nm
电压继电器 WY-35A4T DC220V
电压继电器 WY-35A4/100V DC220V
电压继电器 WY-35B4 200V
电压继电器 WY-35B4T AC/DC220V
电压继电器 WY-35A4T 控制电压DC220V
电压继电器 WY-35A1 AC220V
电压继电器 WY-35A3
欠电压继电器 WY-35C4 三相四线 400V
三相过电压继电器 WY-45C4
三相过电压继电器 WY-31C4T AC/DC220V
过电压继电器 WY-31A1 DC220V
电压继电器 WY-31C1 辅助电压:80~265VAC/DC
无辅源电压继电器 HWY-31A
-
供应商的其他相关信息
查看更多
扫一扫,手机浏览



























