- JOSEF约瑟SS-17B DC220V 1-990sSS-17系列时间继电器 柜内安装,板前接线
详细信息
品牌:JOSEF约瑟 型号:SS-17B DC220V 1-990s 应用领域:时间 产品系列:SS-17系列 触点负载:40W 触点切换电流:220V 系列型号:
SS-17B型时间继电器
SS-17C型时间继电器
1、概述SS-17系列时间继电器用于电力系统继电保护、控制回路或工业控制的直流电路中,作为延时控制元件之用。SS-17系列采用静态集成电路,具有精度高、动作准确、可靠性高等特点,并采用导轨安装和端子排接线,可方便地卡装在导轨槽板上,具有安装方便、接线简单等优点。
2、工作原理
SS-17系列时间继电器为静时间继电器,采用进口CMOS集成电路构成,采用分频、计数原理实现延时。标准时钟脉冲由石英晶体振荡器产生。整定方式采用拨码整定,具有整定方便、动作时间准确、整定范围宽等优点。
3、型号含义
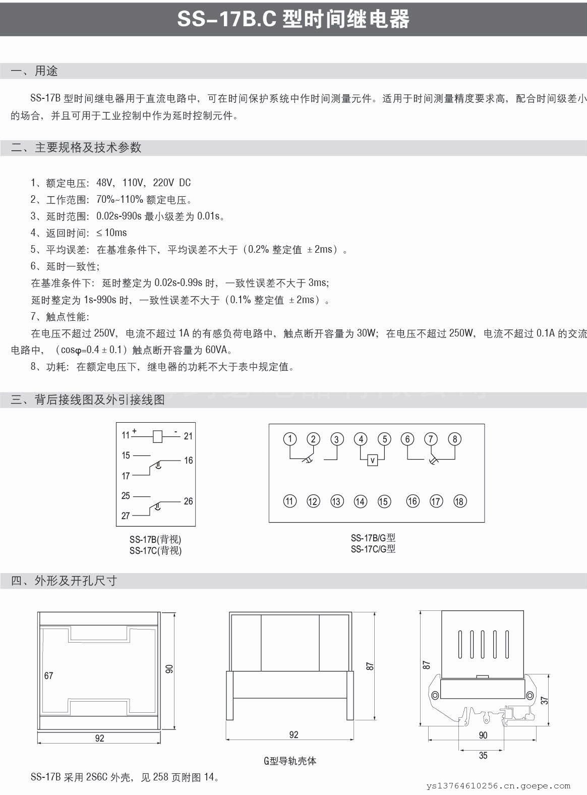
4、主要规格及技术参数1、额定电压:48V,110V,220V DC
2、工作范围:70%~110%额定电压。
3、延时范围:0.02s-990s小级差为0.01s。
4、返回时间:≤10ms
5、平均误差:在基准条件下,平均误差不大于(0.2%整定值±2ms)。
6、延时*性;
在基准条件下:延时整定为0.02s-0.99s时,性误差不大于3ms;
延时整定为1s-990s时,*性误差不大于(0.1%整定值±2ms)。
7、触点性能:
在电压不超过250V,电流不超过1A的有感负荷电路中,触点断开容量为30W;在电压不超过250W,电流不超过0.1A的交流电路
中,(cosφ=0.4±0.1)触点断开容量为60VA。
8、功耗:在额定电压下,继电器的功耗不大于表中规定值。
5、订货须知
订货时须注明继电器型号规格 结构形式代号 板前或板后接线方式.
-
供应商的其他相关信息
查看更多
扫一扫,手机浏览



























