- 约瑟 约瑟 中间继电器 DC220V 带板前接线附件DZK-111
详细信息
品牌:约瑟 型号:DZK-111 应用范围:中间 额定电压:220 V 触点形式:一开一闭 种类:中间继电器 一、用途
DZK-111中间继电器主要用于直流操作的各种保护和自动控制线路中,以增加保护和控制回路的触点数量及容量,也可作为出口跳闸用。
二、结构与组成
DZK-100系列(包含DZK-111)继电器带有山型拍合式的电磁机构,由山型铁芯、线圈、衔铁、支架、接触系统等五部分组成。线圈位于中柱上,为了降低继电器的功率消耗和温升,在继电器电压绕组回路中串入附加电阻。
三、技术数据
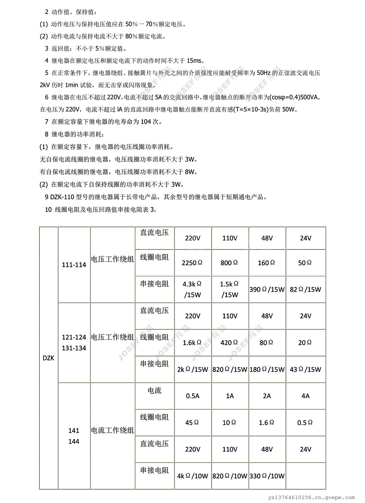
-
动作值与保持值:
- 动作电压与保持电压值应在50%~70%额定电压。
- 动作电流与保持电流不大于80%额定电流。
-
返回值:不小于5%额定值。
-
动作时间:在额定电压和额定电流下的动作时间不大于15ms。
-
介质强度:在正常条件下,继电器绕组、接触簧片与外壳之间的介质强度应能耐受频率为50Hz的正弦波交流电压2kV,历时1min试验,而无击穿或闪络现象。
-
触点断开功率:
- 在电压不超过220V,电流不超过5A的交流回路中,继电器触点的断开功率为(cosφ=0.4)500VA。
- 在电压为220V,电流不超过1A的直流回路中,继电器触点能断开直流有感(T=5×10^-3s)负荷50W。
-
电寿命:在额定容量下继电器的电寿命为10^4次。
-
功率消耗:
- 无自保电流线圈的继电器,电压线圈功率消耗不大于3W。
- 有自保电流线圈的继电器,电压线圈功率消耗不大于8W。
- 在额定电流下自保持线圈的功率消耗不大于3W。
四、安装与接线
DZK-100系列继电器有凸出式结构,并有板前和板后两种接线形式。DZK-100T系列为凸出插拔式结构。订货时需注明继电器型号规格、结构形式代号、板前或板后接线方式、数量及其它要求。



DZK系列型号:
中间继电器 DZK-114 220VDC
中间继电器 DZK-111 DC220V 带板前接线附件
中间继电器 DZK-141 1A DC220V 带板前接线附件
中间继电器 DZK-134 DC220V 2A 4常开 10引脚 板前接线
中间继电器 DZK-244 220V 2A 带底座
快速中间继电器 DZK-216 DC220V 配电阻 板前接线
中间继电器 DZK-111Q AC220V,板前接线,2开2闭
中间继电器 DZK-244
中间继电器 DZK-111 DC110V 板前接线
中间继电器 DZK-916/4 DC110V 5A 板后接线
快速中间继电器 DZK-911/4 DC110V 嵌入式后接线
-
-
扫一扫,手机浏览

















