- JOSEF约瑟WY-31A1DC220VWY-30系列过电压继电器 单相、导轨安装
详细信息
品牌:JOSEF约瑟 型号:WY-31A1DC220V 应用领域:电压 产品系列:HJY系列 触点负载:40W 触点切换电流:220V WY-30系列电压继电器 系列型号:
单相
WY-35A1电压继电器;WY-35B1电压继电器;WY-35C1电压继电器;WY-31A1电压继电器;WY-31B1电压继电器;
WY-31C1电压继电器;JY-45A1电压继电器;JY-45B1电压继电器;JY-45C1电压继电器;JY-45D1电压继电器;
JY-41A1电压继电器;JY-41B1电压继电器;JY-41C1电压继电器;JY-41D1电压继电器;
两相
WY-35A3电压继电器;WY-35B3电压继电器;WY-35C3电压继电器;WY-31A3电压继电器;WY-31B3电压继电器;
WY-31C3电压继电器;JY-45A3电压继电器;JY-45B3电压继电器;JY-45C3电压继电器;JY-45D3电压继电器;
JY-41A3电压继电器;JY-41B3电压继电器;JY-41C3电压继电器;JY-41D3电压继电器;
三相
WY-35A4电压继电器;WY-35B4电压继电器;WY-35C4电压继电器;WY-31A4电压继电器;WY-31B4电压继电器;
WY-31C4电压继电器;JY-45A4电压继电器;JY-45B4电压继电器;JY-45C4电压继电器;JY-45D4电压继电器;
JY-45A4D电压继电器;JY-45A4T电压继电器;JY-45B4D电压继电器;JY-45B4T电压继电器;JY-45C4D电压继电器;
JY-45C4T电压继电器;JY-45D4D电压继电器;JY-45D4T电压继电器;JY-41A4电压继电器;JY-41B4电压继电器;
JY-41C4电压继电器;JY-41D4电压继电器;JY-41A4D电压继电器;JY-41A4T电压继电器;JY-41B4D电压继电器;
JY-41B4T电压继电器;JY-41C4D电压继电器;JY-41C4T电压继电器;JY-41D4D电压继电器;JY-41D4T电压继电器;
WY-35A4D电压继电器;WY-35A4T电压继电器;WY-35B4D电压继电器;WY-35B4T电压继电器;
WY-35C4D电压继电器;WY-35C4T电压继电器;WY-35D4D电压继电器;WY-35D4T电压继电器;
WY-31A4电压继电器;WY-31B4电压继电器;WY-31C4电压继电器;WY-31D4电压继电器;
WY-31A4D电压继电器;WY-31A4T电压继电器;WY-31B4D电压继电器;WY-31B4T电压继电器;
WY-31C4D电压继电器;WY-31C4T电压继电器;WY-31D4D电压继电器;WY-31D4T电压继电器;
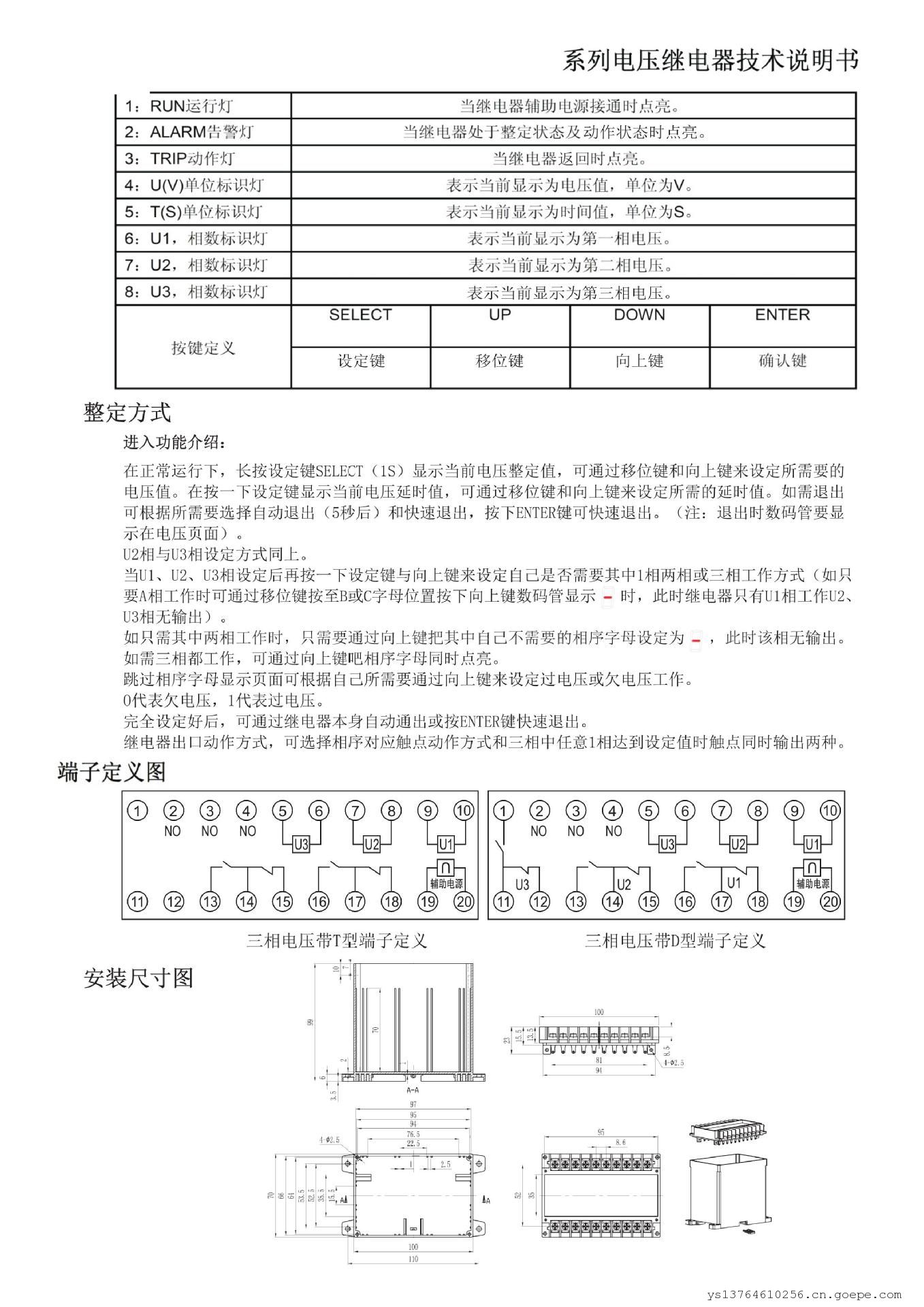
一功能简述
WY-30系列电压继电器是带延时功能的数字式交流电压继电器。
可用于发电机,变压器和输电线的继电保护装置中,作为过电压或欠电压闭锁的动作元件
LCD实时显示当前输入电压值
额定输入电压Un:100VAC、200VAC、400VAC产品满足电磁兼容四级标准
产品外形尺寸:EMG32:96mm(L)X90mm(W)X65.3mm(H)
外壳采用新升级结构,适用于DIN导轨安装
二技术参数及端子定义图
产品型号:WY-30系列---
辅助电源:DC 88~370V,AC 85~265V
额定输入电压Un:100VAC,200VAC,400VAC
额定频率:50Hz
电压整定范围:(0.1~1.0)Un
电压精度:±3%
功率消耗:≤5W
返回系数:过量动作:0.9 欠量动作:1.1(可定制)
延时整定范围:0ms~9999ms
动作延时平均误差:±(1%整定值+60ms)
接点容量:6A@250VAC/30VDC
工作环境:-40℃~+70℃,5%~95%RH无凝露
存储环境:-40℃~+85℃,5%~95%RH无凝露
螺钉类型/拧紧力矩:M3/0.5~0.6Nm
三安装尺寸图
四逻辑选型
五操作步骤
六操作设置
产品包括:中间继电器,电流继电器,电压继电器,过流继电器,信号继电器,闪光继电器,时间继电器,漏电继电器,上海约瑟继电器事业部
-
供应商的其他相关信息
查看更多
扫一扫,手机浏览






















