- JOSEF约瑟SS-94B/1-1时间继电器 DC220V
详细信息
品牌:JOSEF约瑟 型号:SS-94B/1-1 应用领域:时间 产品系列:SS-94B系列 触点负载:40W 触点切换电流:220V 











系列型号:SS-94B/1-1时间继电器;
SS-94B/2-1时间继电器;
SS-94B/1-2时间继电器;
SS-94B/2-2时间继电器;
一、用途
SS-94B系列时间继电器用于电力系统二次回路的继电保护及自动控制中,作为延时元件,使被控元件达到所需延时,以实现
保护的选择性配合,保护电力系统安全可靠运行。
二、结构特点
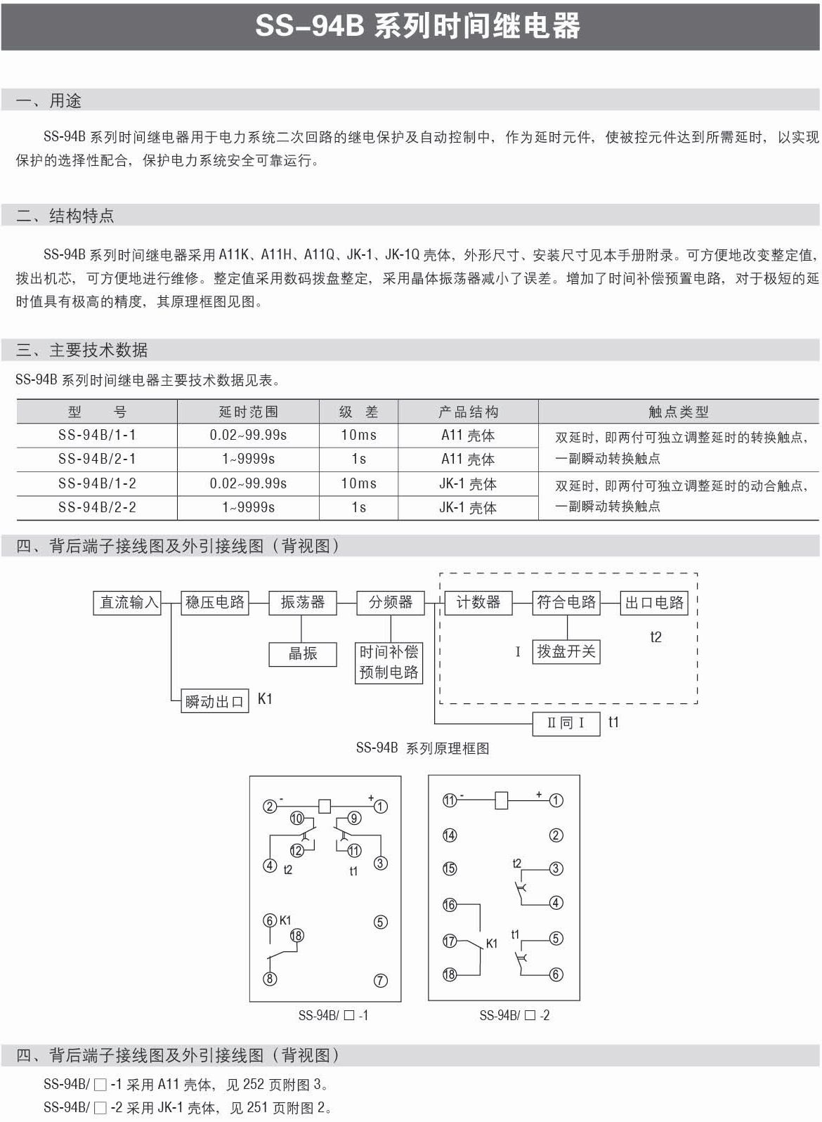
SS-94B系列时间继电器采用A11K、A11H、A11Q、JK-1、JK-1Q壳体,外形尺寸、安装尺寸见本手册附录。可方便地改变整定值,
拨出机芯,可方便地进行维修。整定值采用数码拨盘整定,采用晶体振荡器减小了误差。增加了时间补偿预置电路,对于极短的延
时值具有极高的精度,其原理框图见图。
三、主要技术数据
SS-94B系列时间继电器主要技术数据见表。
四、背后端子接线图及外引接线图(背视图)
五、外形及开孔尺寸
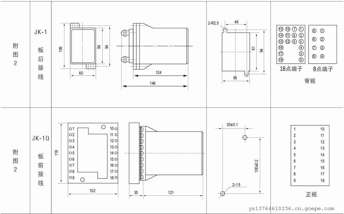
SS-94B/□-1采用A11壳体,见附图3。
SS-94B/□-2采用JK-1壳体,见附图2。 -
供应商的其他相关信息
查看更多
扫一扫,手机浏览

















