- JOSEF约瑟RS-32A时间继电器 AC220V 0.02~9.99S
详细信息
品牌:JOSEF约瑟 型号:RS-32A 应用领域:时间 产品系列:RS系列 触点负载:40W 触点切换电流:220V 一、用途
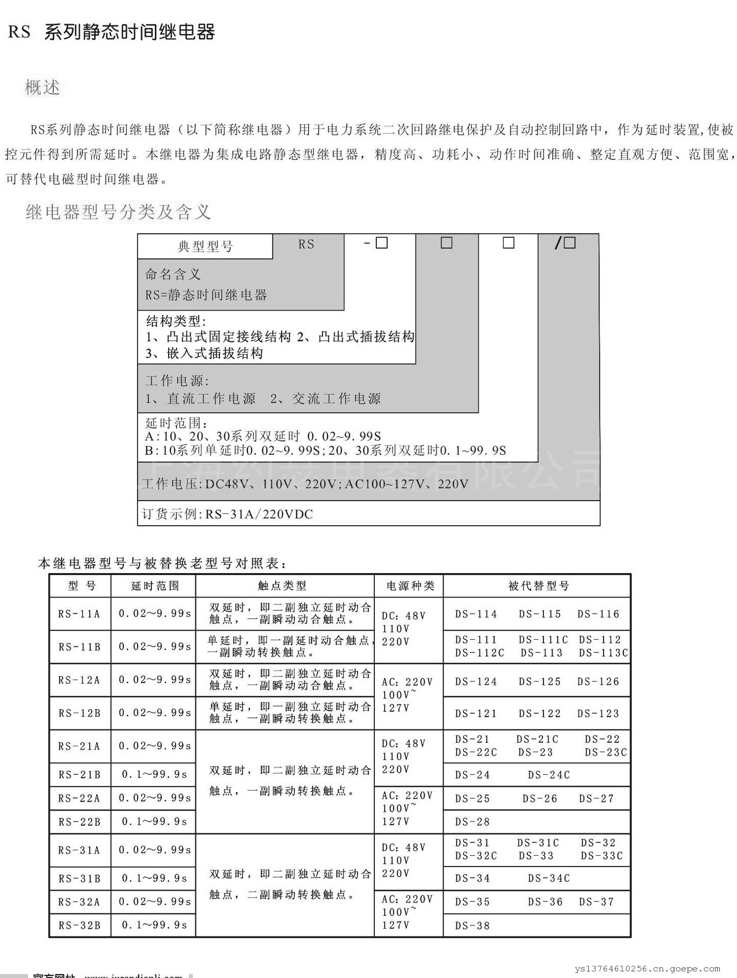
RS系列静态时间继电器(以下简称继电器)用于电力系统二次回路继电保护及自动控制回路中,作为延时装置,使被控元件得到所需延时。本继电器为集成电路静态型继电器,精度高、功耗小、动作时间准确、整定直观方便、范围宽,可替代电磁型时间继电器。
二、工作原理
1、本继电器延时精度远高于 DS 型电磁式时间电器,能满足电力系统继电保护中缩短保护时间级差的要求,是目前时间继电器理想的更新换代产品。该继电器外形结构和内部接线、工作方式、整定范围与DS系列时间继电器相同仅整定方式不同,拨码开关的三位数乘以0.01s或0.1s时间时基即为整定时间,改变整定值无需进行校验。
2、本继电器为动作延时型数学时间练电器,由进口CMOS集成电路构成,电器由振荡器、分频器和三级脉冲计数器组成通过BCD码拨码开关整定延时值。
3、继电器通常不带电,施加额定电压后,继电器内部瞬动继电器动作、同时晶振起振,产生时钟脉冲,经分频后由计数器计脉冲数,当所计脉冲数达到延时整定值时,触发器翻转,驱动出口继电器动作,实现所需延时,由于采用了晶体振荡器并增加时间补偿预置电路,对于极短的延时值也严格符合整定值,具有极高的精度。
4、继电器的双延时回路延时相对独立,并各自驱动一个执行继电器, 所以两个执行继电器的动合触点按延时长短,可作为继电器的中止和滑动触点使用,但滑动触点闭合后, 其闭合状态一直保持到继电器失电返回为止,如用户需滑动触点闭合一定时间后立即返回,订货时需特别注明,并提出滑动触点的闭合持续时间。
5、继电器原理图见图1。
三、技术参数
1、额定值及规格见上表。
2、延时准确度
a、延时整定值的平均误差:在基准条件下,继电器延时整定值平均误差值不大于整定值的0.1%+3ms;
平均误差=(5次测量平均值-整定值)/整定值X100%。
b、延时一致性:在基准条件下,继电器 延时一致性不大于整定值的(3-10ms)。c、在-10~50C的温度下,任一延时整定值的平均误差(包含一致性)的值不大于整定值的0.1%+5ms3、工作电压:动作电压不大于额定电压的70%时,继电器应可靠工作。
4、继电器的返回时间切断电器电源,出口触点返回至起始位置的时间,对于使用直流电源工作的品种,应不大于25ms。5、继电器的返回电压
降低继电器电压不小于额定电压的10%时,继电器触点应可靠返回。6、功率消耗
DC48V,不大于2W:
DC110V或AC100~127V,不大于2.5W(4.5VA)DC220V或AC220V,不大于2.5W(4.5VA)。
7、热性能要求
本系列继电器可长期通电工作,当环境温度为50C时,可长期承受1.1倍额定电压值。电源工作特性:电源缓慢升降、突然通/断电或通过抖动触点供电,继电器能够正常工作,并且无零秒出口及瞬动出8、口现象。
-
供应商的其他相关信息
查看更多
扫一扫,手机浏览































