- JOSEF约瑟HJL-93/AY电流继电器 AC220V
详细信息
品牌:JOSEF约瑟 型号:HJL-93/AY 应用领域:电流 产品系列:HJL系列 触点负载:40W 触点切换电流:220V 


系列型号
HJL-93/AY数字式交流三相电流继电器;HJL-93/A数字式交流三相电流继电器;
HJL-93/BY数字式交流三相电流继电器;HJL-93/B数字式交流三相电流继电器;
HJL-F93/AY数字式交流三相电流继电器;HJL-F93/A数字式交流三相电流继电器;
HJL-F93/BY数字式交流三相电流继电器;HJL-F93B数字式交流三相电流继电器;
1. 用途
用于发电机、变压器和输电线路的过荷和短路保护,作为启动元件。2. 安装结构
导轨安装9壳体,具体尺寸请参考外型尺寸图。
型号含义
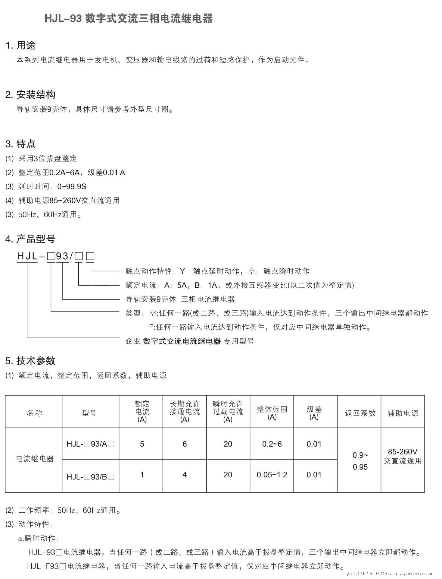
3. 特点
(1).采用3位拔盘整定
(2).整定范围0.2A~6A,级差0.01 A
(3).延时时间:0~99.9S
(4).辅助电源85~260V交直流通用
(5).50Hz、60Hz通用。
4. 产品型号
HJL-93数字式交流三相电流继电器型号含义
5. 技术参数
(1). 额定电流,整定范围,返回系数,辅助电源
(2).工作频率:50Hz、60Hz正弦波。
(3). 动作特性:
a.瞬时动作:
HJL-Q93□电流继电器,当任何一路(或二路、或三路)输入电流高于拨盘整定值,三个输出中间继电器立即都动作。
HJL-F93□电流继电器,当任何一路输入电流高于拨盘整定值,仅对应中间继电器立即动作。
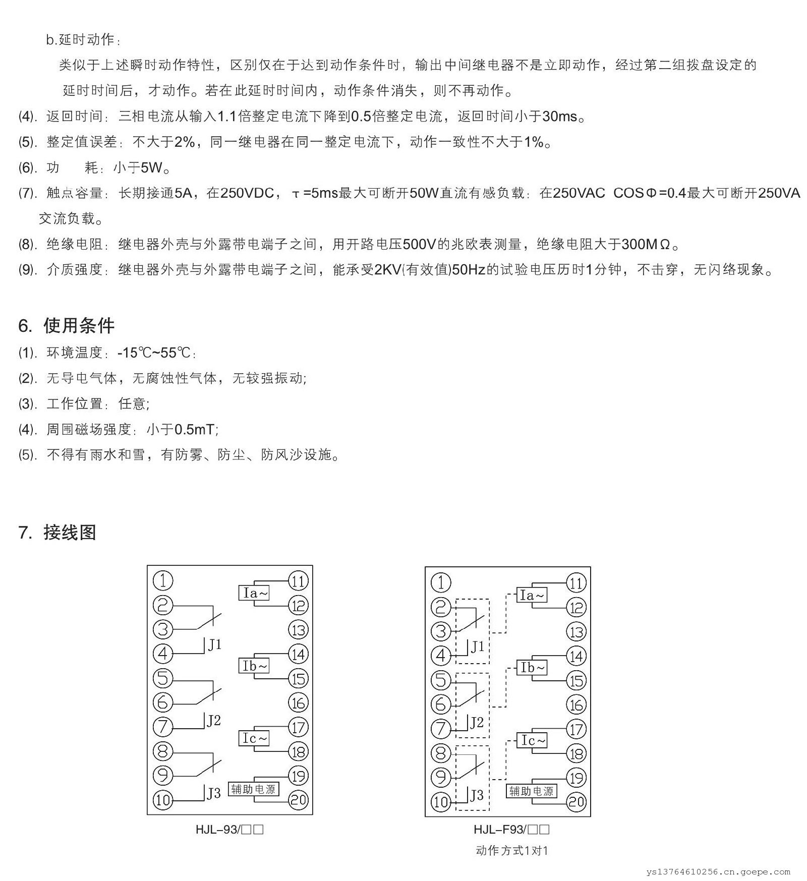
b.延时动作:
类似于上述瞬时动作特性,区别仅在于达到动作条件时,输出中间继电器不是立即动作,经过第二组拨盘设定的延时时间后,才动作。若在此延时时间内,动作条件消失,则不再动作。
(4). 返回时间:三相电流从输入1.1倍整定电流下降到0.5倍整定电流,返回时间小于30ms。
(5). 整定值误差:不大于2%,同一继电器在同一整定电流下,动作*性不大于1%。
(6). 功 耗:小于5W。
(7). 触点容量:长期接通5A,在250VDC,τ=5ms大可断开50W直流有感负载:在250VAC COSΦ=0.4大可断开250VA交流负载。
(8). 绝缘电阻:继电器外壳与外露带电端子之间,用开路电压500V的兆欧表测量,绝缘电阻大于300MΩ。
(9). 介质强度:继电器外壳与外露带电端子之间,能承受2KV(有效值)50Hz的试验电压历时1分钟,不击穿,无闪络现象。
6. 使用条件
(1).环境温度:-15℃~55℃:
(2).无导电气体,无腐蚀性气体,无较强振动;
(3).工作位置:任意;
(4).周围磁场强度:小于0.5mT;
(5).不得有雨水和雪,有防雾、防尘、防风沙设施。
接线图集外形尺寸图
三相继电器工作原理:当检测的某一相电流大于过电流设定值,并且持续时间超过过电流设定时间,过电流输出继电器立即动作;当某一相电流大于过载电流设定值,并且持续时间超过允许时间,过载电流输出继电器动作,过载输出继电器的动作呈反时限特性;当某一相电流超过或低于三相电流平均值设定的百分比,且持续时间超过延时设定值,三相电流不平衡报警,其输出继电器和过载电流输出继电器共用,三相电流不平衡时输出继电器动作。
以先进制造、能源矿产和高科技产业为核心,以投资业务为重点,打造核心竞争力,确立产业地位,以的品质和增值服务为基础,为世界各地客户创造价值。
-
供应商的其他相关信息
查看更多
扫一扫,手机浏览























