- JOSEF约瑟XJC-1/3冲击继电器 DC220V 板前接线
详细信息
品牌:JOSEF约瑟 型号:XJC-1/3 应用领域:冲击 产品系列:XJC系列 触点负载:40W 触点切换电流:220V 






系列型号
XJC-1/1集成电路微电流冲击继电器;
XJC-1/3集成电路微电流冲击继电器;
XJC-2/3集成电路微电流冲击继电器;
XJC-3/3集成电路微电流冲击继电器;
XJC-4/3集成电路微电流冲击继电器;
XJC-5/3集成电路微电流冲击继电器;
1用途
用于继电保护及自动化线路中,作为各类故障集中报警及启动音响之用。
2特点
2.1抗扰力强,特殊电路设计消除了电源谐波干扰;
2.2内部具有自动返回,延时动作,延时复归等三功能可由用户自行选用
2.3所有光示牌均可通用、混用;
2.4预警通用,+、一复归通用。
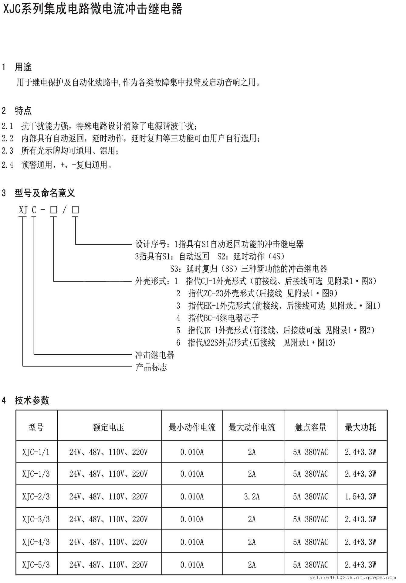
3型号及命名意义
XJC型号说明
4 技术参数
型号 额定电压 小动作电流 大动作电流 触点容量
XJC-1/1 24V、48V、110V、220V 0.010A 2A 5A 380VAC
XJC-1/3 24V、48V、110V、220V 0.010A 2A 5A 380VAC
XJC-2/3 24V、48V、110V、220V 0.010A 3.2A 5A 380VAC
XJC-3/3 24V、48V、110V、220V 0.010A 2A 5A 380VAC
XJC-4/3 24V、48V、110V、220V 0.010A 2A 5A 380VAC
XJC-5/3 24V、48V、110V、220V 0.010A 2A 5A 380VAC
5 引脚功能
XJC引脚功能
6 应用参考图
XJC应用参考图
7 说明
XJC-1/3在原旧变电所代替JC-2时,只需断开4、6、8间连线,6加+,8加一,SI为ON,S2为OFF,S3为ON即可使用
XJC-2/3在原旧变电所代替ZC-23时,只需拔下ZC-23,不用改任何线即可代用ZC-23(S2、SI为OFF,S3为ON)。
本公司能生产代替除ZC-23、CJ-1、HC-21、BC-4S、4Y、JC-2等型号外的其它冲击继电器
外形尺寸和开孔尺寸见附图
订货须知:
订货时须注明继电器型号规格、辅助电源供电方式及整定范围、结构形式代号、板前或板后接线方式、数量及其它要求。
“信号继电器原理:继电器工作时,电磁铁通电,把衔铁吸下来使之接触,电路闭合;电磁铁断电时,失去磁性,衔铁在弹簧的作用下吸起,切断工作电路。”
信号继电器作用:扩大控制范围。
多触点继电器控制信号达到某一定值时,可以以不同的形式同时换接、开断、接通多路电路。
放大:一个很微小的控制量可以控制很大功率的电路。
综合信号:当多个控制信号按规定的形式输入多绕组继电器时,经过综合信号可以达到预定的控制效果。
自动、遥控、监测:自动装置上的继电器与其他电器一起可以组成程序控制线路从而实现自动化运行。
上海约瑟继电器事业部
-
供应商的其他相关信息
查看更多
扫一扫,手机浏览




















