- JOSEF约瑟ZJS-1/G跳闸回路监视继电器 DC220V 导轨安装
详细信息
品牌:JOSEF约瑟 型号:ZJS-1/G 应用领域:中间 产品系列:ZJS系列 触点负载:40W 触点切换电流:220V 一 应用
用于直流或交流操作的各种保护和自动控制的装置中,用以增加触点数量。
二 安装结构
导轨安装9壳体结构,具体尺寸参阅外型尺寸图。
三 产品型号
HJZS系列断电延时中间继电器
四 主要技术参数
(1). 额定电压:220VDC、110VDC、48VDC
415VAC、380VAC、220VAC、127VAC、110VAC、100VAC、48VAC。
(2). 动作值:直流中间继电器不大于70%额定电压;交流中间继电器不大于80%额定电压。
(3). 返回值:不小于10%额定电压。
(4). 触点容量:可长期接通5A电流,在电压不大于250VDC的直流回路中,可断开τ=5ms 50W的直流感性负载,
在电压不大于250VAC的交流回路中,可断开COSΦ=0.4 250VA的交流负载。
L型:可长期接通8A,可断开250VDC τ=5ms 80W直流有感负载:可断开400VAC COSΦ=0.4 400VA
交流负载。
(5). 功 耗:不大于5W。
(6). 动作时间:直流中间继电器不大于30ms,交流中间继电器不大于35ms。
(7). 绝缘电阻:用开路电压500V的兆欧表测量各外露带电端子与外壳之间,绝缘电阻不小于300MΩ。
(8). 介质强度:各引出带电端子与外壳间承受工频2KV(有效值)50Hz试验电压,历时1分钟不击穿,无闪络。
五 使用条件
(1). 环境温度:-15℃~55℃; (4). 工作位置:任意;
(2). 无导电气体,无腐蚀性气体,无较强振动; (5). 周围磁场强度:小于0.5mT;
(3). 工作电压:不大于120%额定电压; (6). 不得有雨水和雪,有防雾、防尘、防风沙设施。
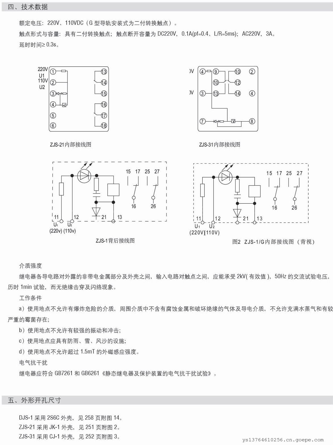
六 接线图
ZJS系列监视继电器接线图
我们为您提供中间继电器,电流继电器,电压继电器,过流继电器,信号继电器,闪光继电器,时间继电器,漏电继电器,冲击继电器等各种继电保护产品。
上海约瑟电器有限公司
-
供应商的其他相关信息
查看更多
扫一扫,手机浏览































