- JOSEF约瑟JZ-7Y-35XMC跳合位监视继电 线圈电压 220VDC 带底座
详细信息
品牌:JOSEF约瑟 型号:JZ-7Y-35XMC 应用领域:中间 产品系列:JZ-7系列 触点负载:40W 触点切换电流:220V 





系列型号:
JZ-7Y-201XMC通用型跳位合位监视继电器;
JZ-7J-201XMC通用型跳位合位监视继电器;
JZ-7Y-203XMC通用型跳位合位监视继电器;
JZ-7J-203XMC通用型跳位合位监视继电器;
JZ-7Y-204XMC通用型跳位合位监视继电器;
JZ-7J-204XMC通用型跳位合位监视继电器;
JZ-7Y-35XMC通用型跳位合位监视继电器;
JZ-7J-35XMC通用型跳位合位监视继电器;
JZ-7Y-37XMC通用型跳位合位监视继电器;
JZ-7J-37XMC通用型跳位合位监视继电器;
JZ-7Y-38XMC通用型跳位合位监视继电器;
JZ-7J-38XMC通用型跳位合位监视继电器;
1用途
用于开关合位监视、跳位监视、电源监视、断路器监视。本产品工作电流很小仅0.1mA。能监视所有开关、断路器。工作电压通用性强。但本产品须配-KM以便为继电器提供工作监视电源。2型号及规格
型号说明
3主要性能
3.1采用高性能密封进口中间,防潮、防尘、不断线、可靠性高。
3.2动作电压准确,返回系数高,无抖动,功耗低,多个接点同时动作或返回(可控性IOO%)。
3.3继电器动作后有灯光指示、有电源指示。
3.4继电器的电气寿命和机械寿命长。
3.5绝缘耐压水平高。触点接触电阻小。
3.6抗干扰特性好,串联抗干扰电压可调整,可适用于强干扰或电源电压质量很差的场所。
3.7工作电流极小,I=O.1mA,工作电压范围较宽,允许波动±20%。
4技术条件
4.1环境基准条件 4.2正常使用条件
环境温度:20℃±2℃ 环境温度:25℃-+40℃
相对湿度:45%-75% 环境相对湿度:不大于90%
大气压力:80Kpa-106Kpa 大气压力:80Kpa-IIOKpa
存储和运输过程中的极限温度:-25℃-+75℃
使用地点的海拔高度:不高于2500米
使用环境的周围介质无危险品:不含有腐蚀性气体;所含导电尘埃的浓度不应使绝缘水平降低
到允许值以下。
4.3继电器额定值:工作电流0.1mA,脉冲监测型,适用所有断电器、开关,需配电源。
额定电压:11OVDC 220VDC 220VAC 380VAC允许±20%波动
4.4触点容量:250VDC,0.1A
触点禁止打绝缘耐压,仅限使用于信号回路。
4.5保持值 0. 7-1.2倍额定电压
4.6功耗:低工作电流:220VDC下不大于0.9W
4.7绝缘电阻 用1000V摇表测量各引出端子对外壳锁紧螺钉之间绝缘电阻不小于1OMΩ。
4.8绝缘耐压
各引出端子对外壳锁紧螺钉能承受工频2000V,同组触点之间能承受工频IOOOV,历时一分钟试验,无击穿。
4.9电寿命XMC型:DClIOV,0.2A,10000次以上。
4. 10机械寿命 触点无负荷300万次以上
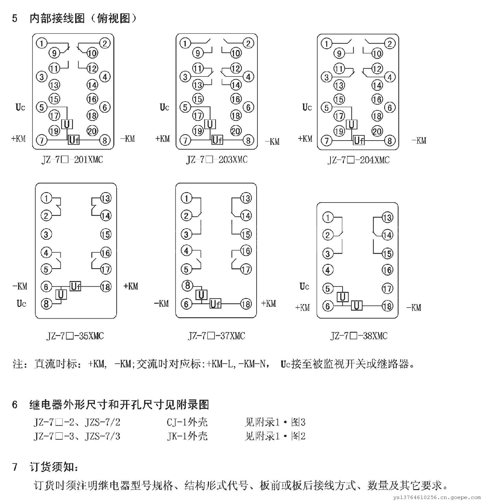
5 内部接线图(俯视图)
JZ-7J-35XMC;JZ-7Y-201XMC接线图
6 继电器外形尺寸和开了尺寸见附录图JZ-7J-35XMC;JZ-7Y-201XMC
JZ-7□-2、JZS-7/2 CJ-1外壳 见附录1.图3
JZ-7□-3、JZS-7/3 JK-1外壳 见附录1.图2
7 订货须知
订货时须注明继电器型号规格、结构形式代号、板前或板后接线方式、数量及其它要求。
一家从事高中低压电器、输变配电气和工业自动化控制电气产品营销和技术服务的公司。公司自创建以来,依靠灵活的经营模式,优质的服务态度,努力进取,开拓市场;承接完成了大量高中低压配电系统工程,工业自动化系统工程和产品营销服务,凭借优质的技术服务和贴心售前、售中、售后服务,赢得广大客户的青睐和信赖。
上海约瑟继电器事业部
-
供应商的其他相关信息
查看更多
扫一扫,手机浏览




















