- JOSEF约瑟JZS-7/147延时中间继电器 DC220V
详细信息
品牌:JOSEF约瑟 型号:JZS-7/147 应用领域:中间 产品系列:JZS-7系列 触点负载:40W 触点切换电流:220V 系列型号:
JZS-7/125静态可调延时中间继电器;
JZS-7/145静态可调延时中间继电器;
JZS-7/127静态可调延时中间继电器;
JZS-7147静态可调延时中间继电器;1 用途
JZS-7系列静态可调延时中间继电器用于直流或交流操作的各种保护和自动控制线路中,作为辅助继电器,以增加触点数量和触点容量。可根据需要自由调节通电延时或断电延时的时间。
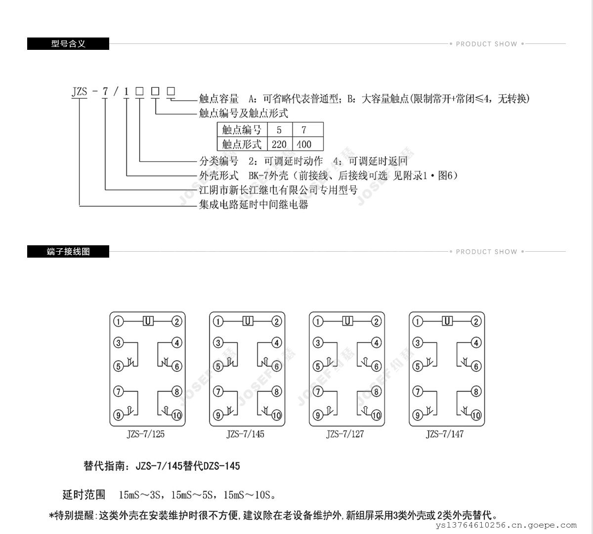
2 型号命名3 主要性能
本系列产品为静态储能延时型中间继电器,通电瞬间电容储能,继电器通过数字电路根据用户设定去控制中间继电器断开或动作,从而达到延时目的。具有下列特点:
1、采用高性能密封继电器。防潮,防尘,不断线,可靠性高。
2、继电器动作后有灯光指示,有电源指示。
3、继电器的电气寿命和机械寿命长。
4、触点容量大,触点接触电阻小。
5、绝缘耐压水平高。
4 技术条件
4.1 环境基准条件 4.2 正常使用条件
环境温度:20℃±2℃ 环境温度:-25℃~+40℃
相对湿度:45%~75% 环境相对湿度:不大于90%
大气压力:80Kpa~106Kpa 大气压力:80Kpa~110Kpa
存储和运输过程中的极限温度:-25℃~+75℃
使用地点的海拔高度:不高于2500米
使用环境的周围介质无爆危险品;不含有腐蚀性气体;所含导电尘埃的浓度不应使绝缘水平降低到允许值以下。4.3 继电器额定值
额定电压值:6V,12V,24V,48V,110V,220V AC、DC;380VAC。
4.4 触点容量 在电压不大于250V,功率因数COSφ为1.0的交流电路中,可分断10A。
直流:普通型:接通DC220V,10A;断开DC220V,τ=5mS,50W负载。
B型:接通DC220V,10A;断开DC250V,τ=5mS,500W大容量触点,极限容量为1500W。4.5 保持值 0.7~1.2倍额定电压,动作延时≤20mS,小可调返回延时≤20mS。
4.6 功耗
在额定电压下不大于5W。
4.7 绝缘电阻
用1000V摇表测量各引出端子对外壳锁紧螺钉之间绝缘电阻不小于10MΩ。
4.8 绝缘耐压
各引出端子对外壳锁紧螺钉能承受工频2000V,同组触点之间能承受工频1000V,历时一分钟,无击穿。
4.9 电寿命
A型:DC250V回路,切断电流τ=5mS,50W,10次以上;
B型:DC250V回路,切断电流τ=5mS,500W,10次以上;1500W,10次以上。4
4.10 机械寿命
触点无负荷300万次以上。
4.11 延时范围 1类延时:15mS~3S;2类延时:15mS~5S;3类延时:15mS~10S;(JZS-7/6(7)除外)。
无特殊申明的,均按1类延时做。
5 、内部接线图6 外形及安装开孔尺寸图
7 订货须知
定货时须注明继电器型号规格、结构形式代号、板前或板后接线方式、数量及其它要求。
延时中间继电器分为通电延时(即上电延时)和断电延时两种,实际操作中也成为可调延时动作和可调延时返回;延时中间继电器带瞬动触点,延时范围一般为0.02-9.99S;常与常规JORS1导轨中间继电器一同应用于对跳位、合位、电源监视回路中。
-
供应商的其他相关信息
查看更多
扫一扫,手机浏览




























