- JOSEF约瑟HJZS-93延时中间继电器 DC220V
详细信息
品牌:JOSEF约瑟 型号:HJZS-93 应用领域:中间 产品系列:HJZ系列 触点负载:40W 触点切换电流:220V
系列型号
HJZS-91延时中间继电器;
HJZS-92延时中间继电器;HJZS-93延时中间继电器;
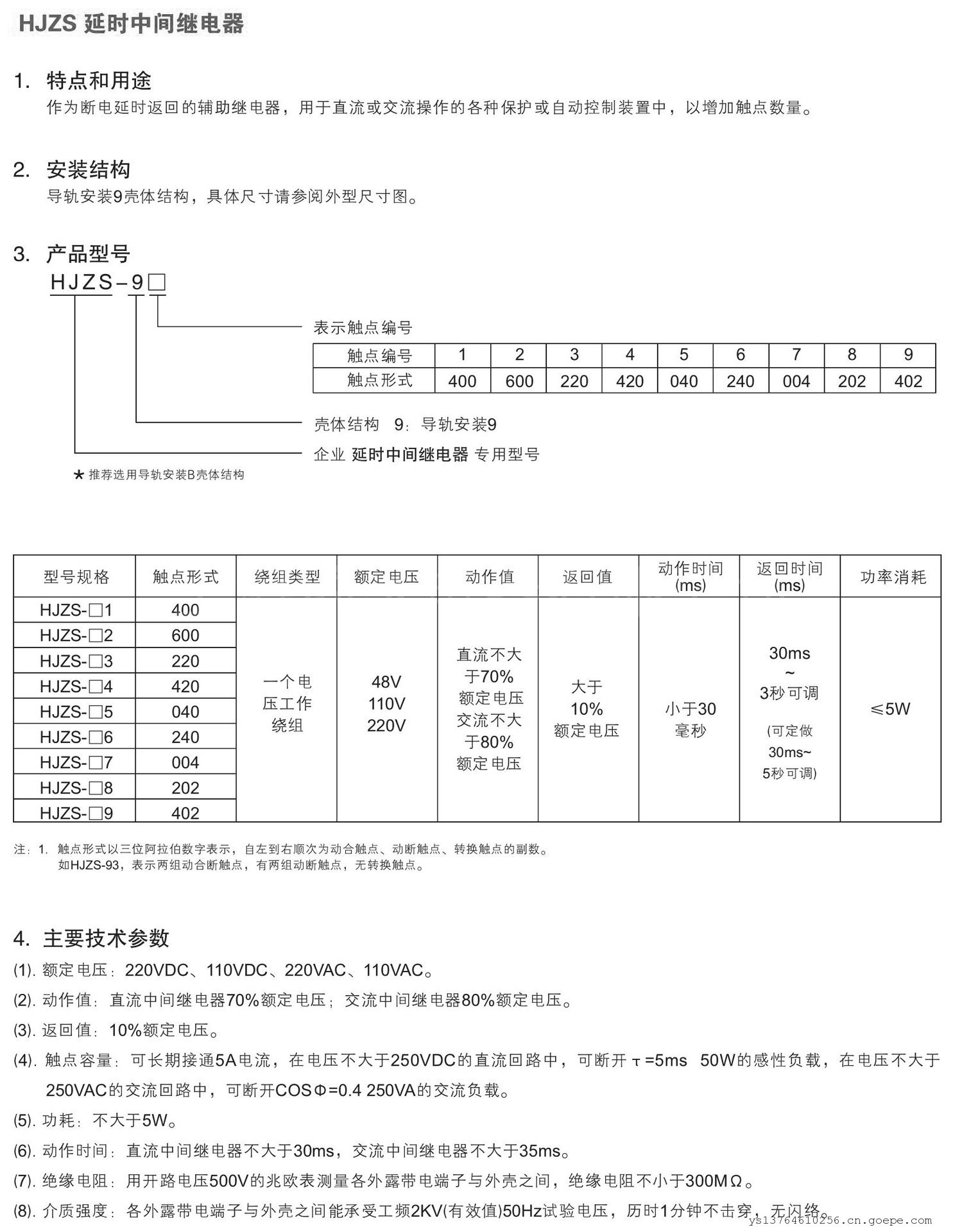
1. 用途
作为通电立即动作断电延时返回的元件,用于交流或直流保护和自动控制装置中,使被控元件得到所需延时。本继电器采用2位盘设定,HJS-DE1/2延时范围0.1秒~9.9秒,级差0.1秒。HJS-DE1/3延时范围1秒~99秒,级差1秒。本系列继电器同时具有瞬时触点,用户可以更灵活应用。
2. 安装结构
导轨安装E,具体尺寸请参考后续继电器外型尺寸图。
3.产品型号
型号4. 技术参数
1).延时范围:本系列继电器由2位拨盘设定延时时间,HJS-DE1/2延时范围0.1秒~9.9秒级,
差0.1秒。HJS-DE1/3延时范围1秒~99 秒,级差1秒。
(2).额定电压:AC220V、AC110V、DC220V、DC110V。
(3).动作值 :75%额定电压。
(4).返回值:10%额定电压。
(5).功耗:小于4W。
(6).触点性能:在250VDC τ=5ms,大可断开50W直流有感负载;
在250VAC COSΦ=0.4,大可断开250VA交流负载,可长期接通5A电流
(7).电寿命:10万次,功耗:不大于5W。
(8).机械寿命:100万次。
(9).绝缘电阻:用开路电压500V的兆欧表测量继电器外壳与外露带电端子之间,绝缘电阻大于300MΩ。
(10).介质强度:继电器外壳与外露带电端子之间,能承受2KV(有效值)50Hz试验电压,历时1分钟不击穿,无闪络现象。
5. 使用条件
(1). 环境温度:-15℃~55℃; (2). 无导电气体,无腐蚀性气体,无较强振动;
(3). 工作位置:任意; (4). 工作电压:不大于120%额定电压;
(5). 周围磁场强度:小于0.5mT;(6). 不得有雨水和雪,有防雾、防尘、防风沙设施。
6.接线图
接线图外形尺寸图
订货须知
订货时请写明继电器型号、规格、数量、电源额定电压或电流、结构型式代号以及特殊要求
断电延时继电器工作原理:
时间继电器通电后内部磁保持继电器从常闭接点转换到常开接点并保持;在用户将时间继电器电源关闭后时间继电器开始延时动作,此时接点继续保持状态;时间继电器的延时时间到后接点从常开转换回常闭形成一个回归并等待下一次的延时。
断电后为了能让时间继电器能得到很好的延时所以断电延时继电器的IC必顺采用低功耗集成电路,内总需有大电容做为电压畜能。总体来说内部需要两个电容器做畜能工作,一个电容所畜能的电能需要给集成电路供电并需要提供足够的电能,否则集成电路在计时时间还没有到达就失去电能而停止了计时工作就达不到用户所设定的目的了。另一个电容提供磁保持继电器在接受集成电路因为延时时间到达后输出的控制信号以驱动磁保持继电器能回归到初始状态。时间继电器是指在规定的一段时间内除去或者增加输入动作信号后,其输出电路需要做出对应变化的一种继电器。它主要用在电压较低或电流较小的电路,可以用来接通或关断较高电压和较大电流的电路的电气元件。
电子技术的高速发展,使得电子时间继电器已成为时间继电器中的主流产品。采用大规模集成电路技术的电子智能数显时间继电器具有多种工作模式,不仅可以实现长延时,而且延时精度高、体积小、调节方便、使用寿命长,使控制系统更简单并且更可靠。时间继电器*大的优点是,具有自动监控功能。时间继电器可以和其他设备一起可以形成程序空间路线,实现设备的自动化运行。
上海约瑟电器有限公司
-
供应商的其他相关信息
查看更多
扫一扫,手机浏览
























