- JOSEF约瑟JDZY-1440静态中间继电器 DC110V 导轨安装
详细信息
品牌:JOSEF约瑟 型号:JDZY-1440 应用领域:中间 产品系列:JDZY系列 触点负载:40W 触点切换电流:220V 




系列型号:
JDZY-1000系列中间继电器
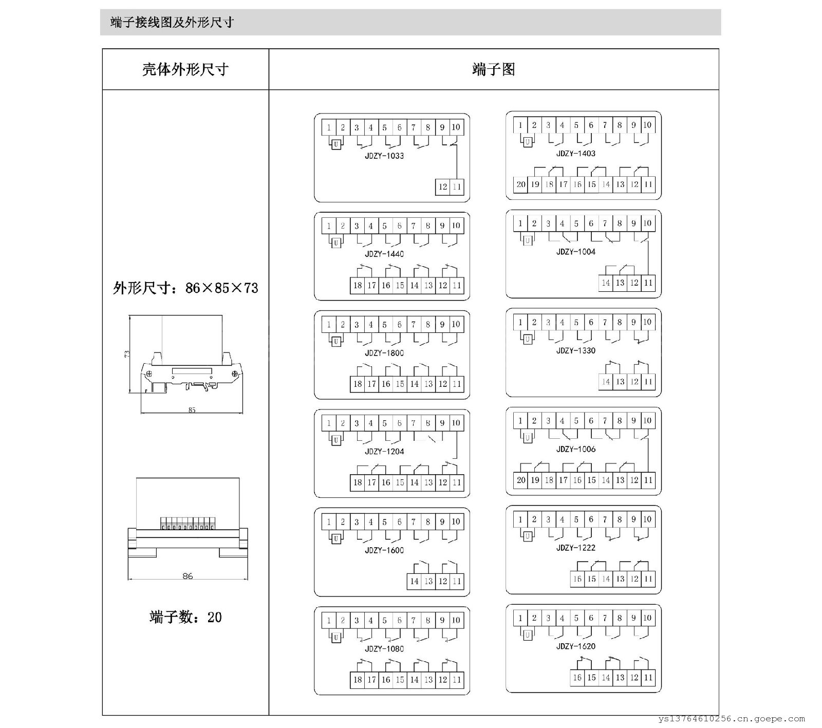
JDZY-1033中间继电器;JDZY-1403中间继电器;
JDZY-1440中间继电器;JDZY-1004中间继电器;
JDZY-1800中间继电器;JDZY-1330中间继电器;
JDZY-1204中间继电器;JDZY-1006中间继电器;
JDZY-1600中间继电器;JDZY-1222中间继电器;
JDZY-1080中间继电器;JDZY-1620中间继电器;
JDZY-1100中间继电器;JDZY-1010中间继电器;
JDZY-1400中间继电器;JDZY-1200中间继电器;
JDZY-1020中间继电器;JDZY-1040中间继电器;
JDZY-1001中间继电器;JDZY-1002中间继电器;
JDZY-1130中间继电器;JDZY-1120中间继电器;
JDZY-1220中间继电器;JDZY-1202中间继电器;1 应用
用途及特点
JDZY-1000系列中间继电器主要用于各种保护和自动控制装置中,保护和控制回路的触点数量及触点容量。
量以及时间逻辑功能。3 主要性能
2 其功能与 DZY 电磁式中间继电器*兼容。
3 交直流两用
4 快速导轨安装结构,适合各种导轨安装。
5 螺钉压接式端子4 型号
端子接线图
外形尺寸图
公司自立伊始,始终坚持“以质量求生存,以诚信谋发展”的经营宗旨,热情﹑周到﹑及时﹑诚信的服务于广大用户与社会。
我们为您提供中间继电器,电流继电器,电压继电器,过流继电器,信号继电器,闪光继电器,时间继电器,漏电继电器,冲击继电器等各种继电保护产品。
-
供应商的其他相关信息
查看更多
扫一扫,手机浏览





















