- 技术文章电流继电器 JL-11/2G 0.02~9.99A AC110V JOSEF约瑟 智能运算快,重量轻2025-10-30 11:32:00 来源:上海约瑟继电器 一、产品特性- 高精度与稳定性:采用集成电路技术,具有较高的测量精度和稳定性,能够准确反映电流变化,确保电力系统的稳定运行。
- 宽整定范围:提供0.02~9.99A的整定电流值,可根据实际需求进行灵活设定,满足不同应用场景的需求。
- 快速动作与返回:继电器具有快速的动作时间和返回时间,能够在短时间内响应电流变化,及时切断故障电路,保护电力设备。
- 低功耗:相比传统电磁型电流继电器,JL-11/2G具有更低的功耗,有助于降低电力系统的能耗。
- 交直流通用:辅助电源采用开关电源变换技术,使得该继电器既可用于交流电路也可用于直流电路,提高了其适用范围。
- 防尘防潮防腐:继电器具有良好的防护性能,能够在恶劣环境下稳定运行。
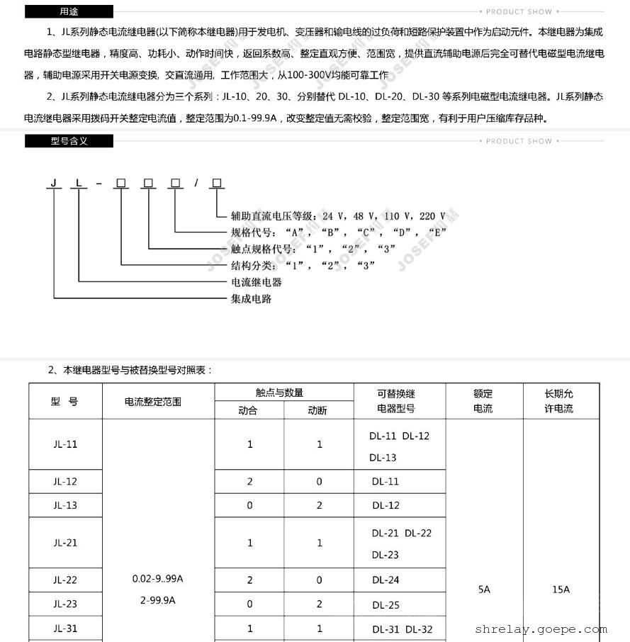
 二、工作原理JL-11/2G电流继电器的工作原理基于电磁感应和集成电路技术。当被测量的交流电流通过隔离变流器后,在其次级得到与被测电流成正比的电压。该电压经过整流和滤波后,与直流参考电压进行比较。若被测电压低于参考电压,则继电器动作;反之,则继电器不动作。 三、应用场景JL-11/2G电流继电器主要用于发电机、变压器和输电线的过负荷及短路保护装置中,作为启动元件。它能够及时发现并响应电路中的异常情况,确保电力系统的安全稳定运行。具体应用场景包括: - 发电机保护:作为发电机交流回路的过电流保护或过负荷、短路的启动元件,给出报警信号或切除故障。
- 变压器保护:用于变压器过负荷和短路保护,防止设备损坏。
- 输配电线路保护:作为输配电线路的过电流保护元件,确保线路安全运行。
 四、安装与使用注意事项- 安装环境:继电器应安装在干燥、通风、无腐蚀性气体的环境中,避免阳光直射和雨淋。
- 定期检查:定期检查继电器的运行状态和设定参数,如发现异常应及时处理。
- 额定参数:请勿在超过继电器额定电压和额定电流的条件下使用,以免损坏继电器或影响电路的正常运行。
 
  
  
  
 电流继电器 JL-31 2~99.9A 板前接线
 电流继电器 JL-31C/1 辅助电源DC220V 整定范围 2~20A
 电流继电器 JL-31A AC0.02-9.99A/AC220V面板嵌入式安装,板后接线
 电流继电器 JL-31/B 辅助电源DC220V,整定范围0.2-2A,一组常开、一组常闭
 电流继电器 JL-32BP AC220V 0.02-9.99A可调 导轨安装
 电流继电器 JL-22 AC220V 0.22-9.99A
 电流继电器 JL-21 整定范围:0~99A 极差0.1A 辅助电压220V
 电流继电器 JL-21B AC220V
 电流继电器 JL-23 整定范围 1.5~6A
 电流继电器 JL-11 整定范围 0.1~99.9A
 电流继电器 JL-11/2G 0.02~9.99A AC110V
 电流继电器 JL-11C AC220V
 电流继电器 JL-13 0.1-99.9A 220V
 静态过流继电器 JL-11/2GX
 电流继电器 JL-6A/1 0.1~15.9A 110VDC 带板前底座
 电流继电器 JL-43 220VDC 0.02-9.99A
 电流继电器 JL-21C 辅助电源DC24V 整定范围0-5A 板前接线
 电流继电器 JL-21A 整定范围:0.03A~9.99A 板后接线
 过电流继电器 XJL-51 AC220V
  
  
 
 新发布
 扫一扫,手机浏览
扫一扫,手机浏览











 
														