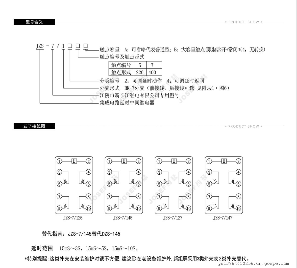
- 技术文章
JOSEF约瑟 中间继电器 JZS-7-125A DC220V
2024-03-07 10:57:33 来源:ys13764610256
中间继电器JZS-7-125A是一款在电气控制系统中广泛应用的设备。它的主要作用是在控制电路中传递中间信号,从而实现对电路的控制和调节。
中间继电器的主要特点是具有多个触点,这些触点可以根据需要进行闭合或断开,从而实现对不同电路的控制。与接触器相比,中间继电器的触点容量较小,但数量较多,这使得它在控制多个电路时具有独特的优势。此外,中间继电器的过载能力相对较小,因此它通常用于控制电路中,而不是直接控制大电流的主电路。
在结构上,中间继电器与交流接触器有很多相似之处,都是由固定铁芯、动铁芯、弹簧、动触点、静触点、线圈、接线端子和外壳组成。当线圈通电时,动铁芯在电磁力作用下动作吸合,带动动触点动作,使常闭触点分开,常开触点闭合;当线圈断电时,动铁芯在弹簧的作用下带动动触点复位。
JZS-7-125A这款中间继电器具有较高的稳定性和可靠性,能够在恶劣的工作环境下长时间稳定运行。同时,它的安装和维护也相对简单方便,使得它在各种电气控制系统中得到了广泛的应用。中间继电器 JZS-7/223 DC220V 板前接线
延时中间继电器 JZS-7/341A AC220V 0-5S
可调延时中间继电器 JZS-7/344 DC220V 板前接线
延时中间继电器 JZS-7/244 DC220V 板后接线
中间继电器 JZS-7/341 2类延时 15mS~5S 220VDC 板前接线
中间继电器 JZS-7/3404 DC220V
延时中间继电器 JZS-7/147 DC220V
中间继电器 JZS-7/347 5s AC220V
静态可调延时中间继电器 JZS-7G-2Z 0.2S~600S DC220V 二付转换点
中间继电器 JZS-7/241 AC220V 板前接线
中间继电器 JZS-7-125A DC220V
延时中间继电器 JZS-7/281 DC110V 板前带座
中间继电器 JZS-7/24 4A DC220V 板前接线
延时中间继电器 JZS-7/244 DC110V 0.15~10S
延时中间继电器 JZS-7/246BG
中间继电器 JZS-7/347 5秒 DC220V
延时中间继电器 JZS-7/224 15MS-10S AC220V
时间继电器 JZS-7/125 DC220V 延时15ms~10S 导轨式安装
中间继电器 JZS-7/34018 DC220V 装置式
中间继电器 JZS-7/2214 板前接线
中间继电器 JZS-7/243
中间继电器 JZS-7/223G DC220V 0.02-9.99S
中间继电器 JZS-7/246B DC220V 板前接线
中间继电器 JZS-7/2412 DC220V 板前接线
中间继电器 JZS-7/2413 DC220V 板前接线
中间继电器 JZS-7/244A DC220V 板前接线
可调延时中间继电器 JZS-7/343H-1K 110VDC 15mS-3S
中间继电器 JZS-7/343H-1 DC110V
电源监视继电器 JZS-7E4/012XMT
延时继电器 JZS-7/321G 0.1-9.9S 辅助电源:DC220V 触点容量:0.7A 导轨安装
新发布
扫一扫,手机浏览

















